Selected Articles about the Metropolitan Street Railway.

These articles, from The Street Railway Journal, describe aspects of Manhattan's Metropolitan Street Railway.


Broadway Cable Railway, New York -- Uptown Power Station.

The Street Railway Journal, January, 1893

Uptown Power Station - Interior

Early this month, a portion of the Broadway cable railway in New York City, details of which have from time to time been published in the Street Railway Journal, will be put in operation, and for the first time in its history cable cars will be running in New York City south of 125th Street. The section of the railway to be started first will be that operated from the upper power station and extending on Seventh Avenue from 59th Street to its junction with Broadway, and thence on that thoroughfare to the corner of 36th Street. The upper station, as has been already stated, is located in the eastern end of the block bounded by Seventh Avenue, Sixth Avenue, 50th and 51st Streets, the cable being carried in a blind conduit on 51st Street to the street conduit on Seventh Avenue.

The engraving on the opposite page (Fig. 1) gives a view of the driving plant employed here. All of the machinery at this station was installed by the Pennsylvania Iron Works Company, of Philadelphia, which also has the entire contract for the construction of the other two power plants of this railway now being erected.

The station possesses many interesting and novel features, one of the most valuable of which is that it is so arranged as to make it practically impossible for an accident or disaster to any part of the machinery to interrupt the service of the road.

The size of the engine room, shown in Fig. 1, is 100 X 260 ft. Power is furnished by two single expansion, Dickson-Corliss engines, cylinder dimensions 36 x 60 ins., running at sixty revolutions per minute, and with a capacity of 1,000 H. P. each, when operated under 125 lbs. pressure. These engines are built in the most substantial manner, and are especially designed for the exigencies arising in cable railway service. A full description of them was given in our March, 1892, issue. Each engine drives one end of a common shaft eighteen inches in diameter in the journals and twenty inches on the swell, upon which is mounted two flywheels each twenty feet in diameter and fifty tons in weight. The engine shaft is divided into six sections, connected by five sets of plate couplings forty inches in diameter. By this means either engine can be disconnected if desired, one-half of the shaft can be rotated while the other half remains idle, or the shaft supporting one of the end rope drive drums can be cut out of connection while the rest are being turned by the engine at the other end. The driving drums, which are four in number, are ten feet in diameter, and have thirteen grooves each. They are not keyed to the shaft, but engage the latter by means of a special type of friction clutch shown in the small engraving in the right hand corner of Fig. 1. This clutch is operated by circular rack and pinion with hand wheel, so that any drum can be thrown into or out of connection with the engine shaft at a moment's notice. To avoid unnecessary friction on the engine shaft when the drums are not in operation, a special weight equalizing device, the invention of B. W. Grist, of the Pennsylvania Iron Works Company, is employed, by which the weight of the drum is supported from below and the engine shaft relieved. These equalizers are operated from the engine floor by means of hand wheels shown in Fig 1, directly in front of the drums.

The main driving drums are thirty-six feet in diameter, and weigh sixty-five tons each, power being transmitted to each from the drums on the engine shaft by means of thirteen two inch, Lambeth cotton ropes. The main driving drums are keyed on hollow shafts made of cast steel, which are supported in journals and surround the main line shafts. These hollow shafts are twenty-seven inches in diameter in the swell, and twenty-two inches in the bearings, and are so arranged that they can be thrown in and out of connection with the line shaft by plate couplings forty inches in diameter. The line shafts, like the engine shaft, are eighteen inches in diameter. The cable drivers are each twelve feet in diameter, and are keyed directly to the main shafts. They are of the usual solid drum type, and are furnished with removable rims. From the foregoing it will be seen that the amplest provision is made for every contingency. Either one of the engines provided has capacity sufficient to operate the line, and by the plans adopted either one can operate either set of cable drums of the duplex system by either two sets of drums.

Another specially interesting feature of the plant is that while one cable and set of drums are in operation the idle drums can be revolved and the idle cable drawn in for inspection or repairs without employing the idle engine. This is accomplished by the use of the small auxiliary engine and attachments located at the center of the engine shaft, and shown at the upper left hand corner of Fig. 1. This engine is of the Duplex vertical type with cylinders 12x12 ins., and its shaft is geared to an intermediate, upon which are two sliding gears operated by a rack and pinion, and meshing into two gear wheels mounted on the engine shaft, one on each side of its central coupling; therefore, by uncoupling the idle horizontal engine, either side of the engine shaft can be turned at any speed desired.

The engine floor is surrounded by a handsome brass railing, and, as will be seen from Fig. 1, is at some height above the main or ground floor. It is reached by two spiral staircases, one at each side and not shown in the view, and one center stairway. It has a surface of concrete resting on iron girders of Phoenix section riveted together. These are supported by I beams, and these in turn rest on pillars.

All the shafting is supported by heavy pillow blocks on cast iron bed plates. These rest on handsome solid brick foundations, which are fourteen feet in depth and extend down to solid rock. In the construction of these foundations a novel method, which gave most satisfactory results, was employed. A full sized working plan of the templates from the actual castings was first made in wood, and then supported by frames just above its proper position over the bases of the foundations. All bolt holes were marked in the templates and the proper position of the foundation bolts indicated by wooden boxes, extending from the template to the foundation base. The foundations were then built up about the bolt boxes until the proper height was reached, the construction being much more rapid than if a plumb line had been the only guide for the bolt openings to the bricklayers.

Uptown Power Station - Tension Run
FIG. 2 -- TENSION RUN -- UPTOWN STATION, BROADWAY CABLE RAILWAY.

The tension device is shown in Fig. 2. The run for each cable is 100 ft. in length, and on the frame of the carriage is fixed a reel about which the end of the tail rope is wound. By this reel the length of the tail rope is varied to take up the stretch in the cable. The tension towers are forty-five feet in height and are constructed of angle iron. The weights are made semi-circular in form with a radius of fifteen inches, and weigh seventy-five pounds each.

Uptown Power Station - Reel for Old Cables
FIG. 3 -- REEL FOR OLD CABLES -- UPTOWN STATION, BROADWAY CABLE RAILWAY.

A special type of reel (Fig. 3) for winding up old cable, the invention of B. W. Grist, will probably be located at the rear of the tension run. This reel is operated by a small vertical engine and a system of enclosed planetary gears, the engine running at 180 revolutions, and the reel at sixty revolutions per minute. The whole is very compact and occupies little space.

A gallery at some distance above the engine floor extends around three sides of the room, from which an excellent view of the driving machinery may be obtained. Access to this gallery is provided by a spiral staircase at one end, not shown in the view. The roof is of slag resting on wooden purlines which are supported on iron rafters.

Uptown Power Station - Boiler Room
FIG. 4 -- BOILER ROOM -- UPTOWN STATION, BROADWAY CABLE RAILWAY.

The boiler room shown in Fig. 4 is 45 X 100 ft. and contains six Heine boilers of 250 H. P. each. Smoke flues 5X9 ft. convey smoke from the furnaces to the stack which is of wrought iron, 150 ft. in height, and with a flue ten feet in diameter. The equipment of the boiler room also includes a Goubert 1,000 H. P., feed water heater, and two Snow duplex steam pumps. The C. W. Hunt system is used for conveying coal and ashes to and from the boilers. The ash cars run on a sunken track directly under the furnace doors, as shown in the engraving.

THE FRONT STREET STATION.

Front Street Station - Elevation
FIG. 5 -- ELEVATION AND PLAN OF FRONT STREET STATION, BROADWAY CABLE RAILWAY.

The arrangement of the driving machinery at the Front Street station is shown in Fig. 5. As will be remembered, this station will be used to operate the short loop of the Broadway cable railway between Bowling Green and South Ferry. This system here is adapted for a single cable, but is arranged so that the duplicate cables can be used if it should later seem desirable.

The size of the power station, outside dimensions are: Width 65 ft. 2 ins.; length, longest distance 105 ft.; narrowest distance 100 ft. 6 ins. The driving machinery occupies a space only 42 x 68 ft., and has been contracted to allow of an increase in the power should it become necessary to put in a duplicate rope. In order to accomplish this, as will be seen, the cable drum shafts are utilized to mount the cotton rope driving drums. The shafts for carrying the double sets of drums are made especially heavy for the duty required, and are provided with especially large bearings. Power is furnished by two Corliss engines, cylinder dimensions 28 x 60 ins. Each of these is connected to one end of a common shaft sixteen inches in diameter in journal and eighteen inches in swell and 35 1/2 ft. long. This shaft is provided with two jaw couplings with improved releasing gear, by which either engine can be disconnected if desired. The flywheel of each engine is twenty-four feet and weighs forty tons.

The rope driving drums, as has already been said, are mounted directly on the engine shaft; they have ten grooves each, and are eight feet in diameter, transmitting power to the main driving drums by means of Lambeth cotton ropes two and a quarter inches in diameter. The main driving drums are twenty-four inches in diameter, and weigh fifty tons each, and are mounted on shafts eighteen inches in diameter in the journals and twenty inches in diameter in the swell.

The cable drivers are ten feet in diameter, and are of the solid type. The tension run is located below the driving machinery. The tension sheave is twelve inches in diameter, and the tension carriage carries a reel about which the end of the tail rope is wound, as with the 51st Street station. This reel is worked by wheel and worm. The floor of the engine room is of concrete supported on I beams.

The boiler room is located directly above the engine room, and contains six tubular boilers, arranged in two batteries of three each. Each boiler is of 125 H. P., seventy-two inches in diameter and eighteen feet long, and contains fifty-six tubes, each four and a half inches in diameter. The steam drum for each battery of three boilers is twenty feet long and thirty inches in diameter. The stack is placed between the batteries, and is 150 ft. in height and twelve feet square at the base. The flue is five feet eight inches in diamteer.

The work at the three Broadway stations, as well as that at the stations of the Third Avenue Railway Company, of New York, is being carried on under the supervision of E. A. Moore, of the Pennsylvania Iron Works Company.

The fact that the Pennsylvania Iron Works Company undertook the building of any plant has always been a guarantee of excellence in its design and thoroughness in its construction; but in this station the company has added greatly to its already high reputation achieved in other cities. Especial credit should be given for the results attained, to W. L. Elkins, Jr., president of the Pennsylvania Iron Works Company, B. W. Grist, general manager and chief engineer of the company; and E. A. Moore, supervising engineer of construction, and to the ability and untiring attention of these gentlemen will be largely due the success that will undoubtedly be attained by the plant. The opening of the station embodying, as it does, the latest improvements in cable traction will, be watched with interest.

Go to top of page.


Placing Heavy Cable Machinery in Position.

The Street Railway Journal, January, 1893

Placing heavy shaft
PLACING SECTION OF SHAFT IN POSITION -- HOUSTON STREET STATION, BROADWAY CABLE RAILWAY.

An idea of the magnitude of some of the parts of the driving machinery employed at the Houston Street station of the Broadway cable railway can be obtained from the accompanying engraving, which is made from a photograph taken while a section of the jack shaft was being placed in position. The shaft is eighteen inches in diameter in the journals, twenty inches in the swell, and the section shown is twenty-five feet nine inches in length. The drum shown is one of the pinions driving the main rope drums on the cable driver shafts. It is nine feet in diameter, is connected to the shaft by means of a large friction clutch and is composed of two parts, each having seventeen rope grooves. The two parts are, however, so fitted together as to make practically one drum. To the right of the driving pinion on the shaft can be seen the hub of one of the twenty-six foot main rope drums, which is mounted on a hollow shaft and is driven by a drum of the same size on one of the engine shafts.

Go to top of page.


from What Our Advertisers Say of their Business Prospects for 1893.

The Street Railway Journal, January, 1893

The Laclede Car Company, of St. Louis, Mo.: Our business during 1892 has been larger than ever before. The outlook for 1893 we consider very encouraging, and, judging from the number of orders we are now receiving, the business for 1893 will greatly exceed that for 1892. Extensive additions are to be made to our works, in the shape of substantial brick buildings, which will not only replace the present wooden structures, but will be very much larger. We have received most flattering letters from our patrons, during the year, as to the high class and satisfactory work turned out of our shops. We have on our books an order for 100 four-wheel, long cars for the Broadway cable road, New York City. This will make 475 cars of this company's in New York. Pittsburgh, Pa., Tiffin, O., Springfield, O., Webb City, Mo., Galveston, Tex., West Superior, Wis., Champaign, Ill., and Huntington, W. Va. have each given the company large orders, and there are many other places which have given smaller orders.

Go to top of page.


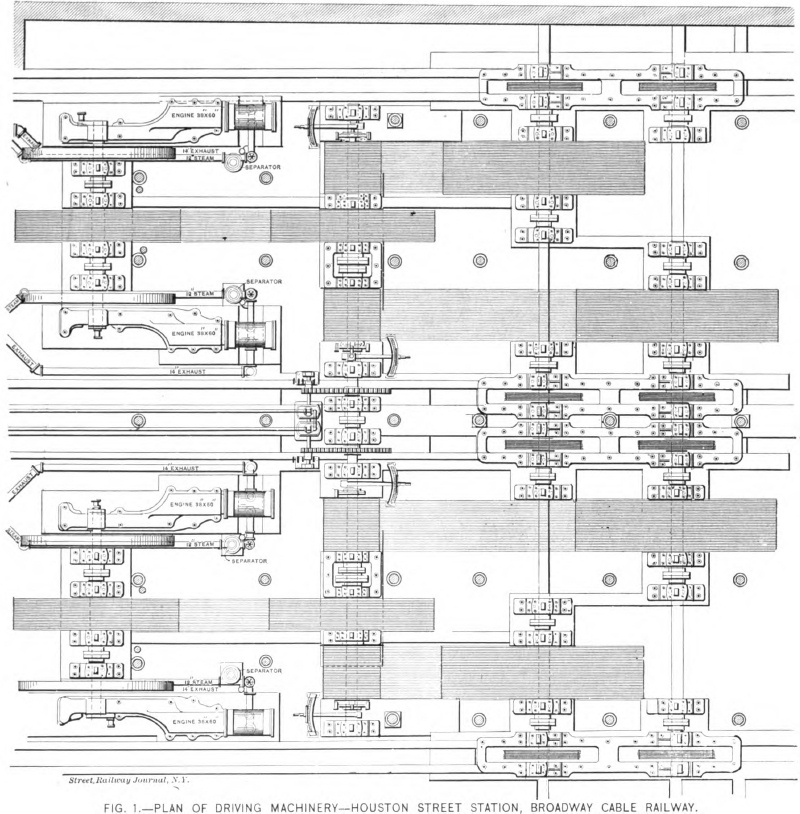
The Houston Street Station of the Broadway, New York Cable Railway.

The Street Railway Journal, April, 1893

Plan of driving machinery

A description was given in our January issue of the two power stations of the Broadway Cable Railway located at 51st Street and Front Street. We herewith present views of the Houston Street, or central, station of this important cable road. Nearly all the machinery in this station has been placed in position, and the contractors, the Pensylvania Iron Works Company, expect that the cables will be running upon the sections operated from this station by May 1. As already stated, the machinery is entirely below the level of the street, occupying the basement of a handsome business block now being erected by the Broadway «Sb Seventh Avenue Railway Company at the corner of Broadway, Houston and Mercer Streets. A view of this building, from the architect's plans, was given in our November issue. The machinery is mounted on foundations separate from the building proper, so that any vibration of the driving plant will not be communicated to the rest of the building. The machinery floor is divided by a two foot wall into engine and boiler rooms, the size of the former being 141 X 120 ft. The height of the engine room is thirty-six feet. a plan of the driving machinery is given on this page (Fig. 1).

Two sets of duplicate cables will be run from this station, one for the uptown central section, extending from the power station at Houston Street on Broadway to 36th Street, and the downtown central section extending on Broadway to Bowling Green. As with the 51st Street station, practically every portion of the machinery is in duplicate, reducing to a minimum the necessity of suspending operations in case of accident to any part. The engines are four in number, arranged in pairs, each pair driving a common rope drum twenty-six feet in diameter. The engines are of the Dickson Corliss type, and single expansion. Their cylinders measure thirty-eight inches in diameter by sixty inch stroke, and each has a rated capacity of 1,200 H. p. Each engine has a flywheel twenty-four feet in diameter, made in nine sections and weighing 100,000 lbs. Further particulars of these engines were published in our May, 1892, issue. The engine shafts, which are eighteen inches in diameter in the journals and twenty-four inches in the swell, are divided into three sections each, connected by plate couplings forty-eight inches in diameter, so that either engine can supply power to the twenty-six foot rope drum without the necessity of rotating the shaft of the other engine of the pair. These two rope drums are each connected by twenty two-inch cotton ropes with drums of the same size keyed to a sleeve on a jack shaft extending, with the exception of a few inches, entirely across the building.

power station views
FIG. 2 -- VIEWS IN HOUSTON STREET POWER STATION -- BROADWAY CABLE RAILWAY.

This jackshaft, which is eighteen inches in diameter in the journals and twenty inches in the swell, carries, besides the twenty-six foot drums, four nine foot drums provided with thirty-two grooves each, for accommodating two-inch cotton ropes by which power is transmitted to the large drums on the cable driver shafts. These nine foot drums are mounted loosely on the shaft, and put in rigid connection with the same by a special type of friction clutch operated by a rack and pinion and similar to that used in the 51st Street station for the same purpose, and described in connection with that station in our January issue. A view of one end of the jackshaft with friction coupling device is shown in Fig. 2 on page 205, in the upper right hand corner of the engraving. From the height of the man shown standing near the pillow block a good idea of the actual size of this part of the machinery can be obtained.

Plate couplings are provided between the sections of the jackshaft, by which any nine foot cable driving drum can be turned by the revolution of either twenty-six foot driven drum without requiring the revolution of any of the other drums on the jackshaft. Each of the nine foot drums is connected by thirty-four two inch cotton ropes to the main driven drums keyed to the cable driver shafts. These main driven drums are thirty-two feet in diameter and made up in twelve sections. The rim segments are made the entire width of the wheel and the wheel has two distinct sets of arms. Lambeth cotton ropes are employed. The diameter of the cable driver shafts is eighteen inches increased to twenty-four inches in the swell, and each is divided into sections by means of plate couplings fifty inches in diameter. Each cable driver is twelve feet in diameter and is provided with solid rims containing each five grooves. A view of the two pairs of central cable drivers is given in Fig. 2.

As in the 51st Street station, auxiliary driving engines are provided to slowly turn the main driving shaft when the power of the large engines for the purpose is not available. These auxiliary engines are two in number, and of the vertical type. They are connected by spur gearing to either half of the jackshaft.

pumps and heaters
FIG 4. -- ELEVATION OF DRIVING MACHINERY, HOUSTON STREET STATION -- BROADWAY CABLE RAILWAY.

Four tension runs are provided, one for each set of cable drivers. The course of the rope is shown in Fig. 4. After entering the station it passes first around the drivers. It is then carried about a tail sheave twelve feet in diameter, mounted on a tension carriage, then passes to the elevating sheave. The tension carriage is mounted on four twenty-four inch wheels, and is provided with a tail rope, which at the carriage is wound about a drum upon which any slack can be taken up.

pumps and heaters
FIG. 3 -- PUMPS AND HEATERS, HOUSTON STREET STATION -- BROADWAY CABLE RAILWAY.

The boiler room, which is located at the Mercer Street side of the station, contains two batteries of six Heine safety boilers each. Each boiler is of 250 H. P. capacity, and each battery is connected by a seven inch main to a common main of fourteen inches diameter running transversely to the building. From this the live steam is led by twelve inch mains to Westinghouse separators, and thence to the engines. The exhaust pipe from each engine is fourteen inches in diameter, and the exhaust from each pair of engines is carried to a Goubert heater. The flue is 9 X 7 ft., and the stack 4X15 ft., interior dimensions. The height of the stack is 220 ft. The Snow feed water pumps (Fig. 3), located in the engine room, are three in number and 10x6x10 ins. All piping in the engine room is beneath the floor.

The building will be lighted by an electric plant now being installed by H. Ward Leonard & Company. The generators will be of the Siemens & Halske type, and will have a capacity of 5,000 lights. Ideal engines and Habirshaw wires will be employed. All interior wiring will be done in conduits of the Interior Conduit & Insulation Company. In the engine and boiler rooms 1,900 lamps will be used.

The contractors for the entire cable machinery are the Pennsylvania Iron Works Company, and all construction has been carried on under the direct supervision of its general manager, B. W. Grist, and the supervising engineer of construction, E. A. Moore.

Go to top of page.


Curve Construction of the Broadway Cable Railway.

The Street Railway Journal, June, 1893

Fig 1-2

What might be called the formal opening of the Broadway cable road, as far as Bowling Green, took place Sunday, May 21, when three cars containing a party composed of the officers and directors of the road and their families and invited guests went over the route. The trip was in all respects most successful,and was run at a speed of six miles an hour. The first regular cable service over the whole line was started with the "night swing" of May 25-6. At about 9:30 on the evening of the 25th the first of six cable cars was started from the 50th Street station to make the round trip over the whole line. These six cars will take passengers and their number will be gradually increased until the cable cars have entirely supplanted the horse cars. As we have mentioned before, the cable is in full operation and cars are running regularly at the schedule speed of eight miles an hour on the section between 50th and 59th Streets.

In this issue we illustrate (Figs. 1, 2 and 3) the general details of the curve construction and mechanism. Curve mechanism furnishes one of the hardest problems that the cable road engineer has to face, and especially are the difficulties increased by the duplicate cable system. The curve pulleys must not only be of sufficient size and rightly spaced, and be easily removable for renewal or repair, but there must also be some efficient device to replace either cable that is being used upon its proper sheave when the grip has passed. In the Broadway cable road this is accomplished by means of a device known as a " flipper"; this consists of a casting forming a sort of elongated guide arm, and mounted on a shaft supported by a frame attached to the two yokes at the entrance of the curve. The "flipper" is kept in position by two spiral springs fastened to its axis, which hold two stops on its lower side against a light angle iron bolted to the lower parts of its supporting yokes. The operating edge is shaped like a long cam to give an easy motion when operated by the passing grip. The construction and details are clearly show in the plan and sections given. The operation of the device is a follows: When the grip on the car entering the curve strikes the cam on the face of the "flipper" it turns it out of the way, and on passing allows the "flipper" to spring back into place, if the outer cable is held in the grip at the time it strikes the outer curved surface of the "flipper" arm, and being guided by this as the grip passes around the curve is led into the groove of the lower curve pulley; on the other hand, if the inner cable is in the grip, it falls inside the "flipper " arm and is guided into the groove of the upper curve pulley; thus neither cable can by any possibility get on the wrong set of curve pulleys. This device is very simple and efficient, and works excellently in practice. It was designed by M. W. Sewell, formerly assistant engineer, and now connected with the Babcock & Wilcox Company.

Fig 3
FIG. 3. -- BROADWAY CABLE CURVE CONSTRUCTION -- GENERAL PLAN OF CURVE MECHANISM.

The curve pulleys themselves present some excellent features. They are mounted in the frames with their axles a few inches out of line with each other, so that either one may be readily gotten at to renew the bearings or make necessary repairs, the upper one from above and the lower one by removing the plate supporting its under bearing box. The axles are of steel, and the bearing sleeves of hard bronze. Lubrication is effected for the upper pulley by means of an ordinary grease cup easily accessible from the street; for the lower pulley a grease lubricator is used consisting of two cylinders containing weighted pistons which force the lubricant through small pipes into the bearings. This lubricator is placed in the pit at one side of the pulleys so as to be accessible for filling and repair.

Fig 4
FIG. 4. -- BROADWAY CABLE CAR -- LACLEDE CAR CO.

The new cars, made by the John Stephenson Company, of New York, and the Laclede Car Company, of St. Louis, are being delivered daily. The Laclede Company's car, as illustrated in Fig. 4, possesses several interesting features. The main dimensions are as follows: Length over platforms, thirty feet six inches ; width of car body at both rails, seven feet; height of car from track to top of roof, ten feet four and one-half inches. The platforms are extra large, being four feet one inch in the center and have wire gates. The doors are double, and work automatically. These cars have eight windows on a side, which are furnished with self-acting shades. The trucks are of the Bemis No. 10 type, with angle iron frames to carry the grip. The wheel base is nine feet, and the wheels thirty inches in diameter, and are protected at the end and on both sides by iron fenders supported on heavy frames strongly braced. Further particulars of these cars were given in our issue for last January. The Stephenson car was illustrated in our September, 1892, issue.


The Opening of the Broadway Cable Railway.

The Street Railway Journal, July, 1893

The Opening of the Broadway Cable Railway is an event upon which the owners of that road, the engineers and the contractors are greatly to be congratulated. The work of installing the road was long, tedious and costly, and the difficulties greater, probably, than had ever been undertaken in any preceding work of the same character. Having once decided to install the road, the best engineering talent was secured, and no expense was spared to make the road as perfect in every detail as possible. The wisdom of the company in pursuing this course, we think, time will prove as being the most economical in the end; not only in reducing repairs, but also in the increase in traffic, which, experience shows, always follows superior transit facilities. The citizens and press of the metropolis have shown their appreciation of the broad policy adopted by the management of this railway, and a great deal has been said in their praise. In another column are given some particulars of the first week's operations, together with other points of interest about the road.

Go to top of page.


Notes on the Broadway, New York, Cable Railway.

The Street Railway Journal, July, 1893

Stephenson car
BROADWAY CABLE CAR -- JOHN STEPHENSON CO.

Since our last issue the Broadway cable has been put in operation over the whole length of the line from 59th Street to Bowling Green, and the cable cars are now running regularly, day and night. Owing to the lack of expert gripmen, some of the horse cars are still used, but their number is being steadily decreased,and will continue so until all are displaced. At present there are sixty-five cable and fifty-five horse cars in service on the day schedule, each making five trips per day.

The new cars are very popular, and for the first few days every cable car was uncomfortably crowded. Some little difficulty was experienced at first, as the only means of entrance and exit was furnished by the outer side of the rear platform, both gates of the front platform being kept closed to give the new gripmen a chance to become used to their work. When the company realized this fact, as well as that the overloading of the rear end and platform might cause derailment of the forward wheels, the difficulty was remedied by opening the outer gate of the front platform also. The extra travel on the new cars is well shown by the fact that on one day the thirty cable cars running took in an average of $10 per trip against $4.70 for the horse cars. The increased travel shows the public appreciation of the increased speed, large entrances and platforms and steady riding of the new cars.

One of the most popular features of the new cars is the thorough lighting. One of the leading daily papers says, editorially, that it is the first time that it has been possible to read with comfort in a public conveyance at night. The contrast between the Pintsch gas lights in these cars and the feeble, flickering oil lamps in other surface and elevated cars is certainly pleasing.

We illustrate one of the 100 new cars built by the John Stephenson Company, Ltd., New York. The principal features of this car are the large platforms, double acting doors, with widest space for entrance and exit of passengers, wire platform gates, the noiseless, easy riding truck, and truck guards and fenders, all of which are features for the design of which great credit is due to the Stephenson Company.

Application has been made, in the interests of the Metropolitan Traction Company, for a franchise for a line through 110th Street and Cathedral Parkway, from Lenox Avenue to the Boulevard, and so connect with the proposed extension of the Sixth Avenue road through Lenox Avenue. This extension will be operated by cable power, the general construction being the same as the Broadway road, except that the yokes and conduit will be six inches deeper, giving more room than the shallower section of the Broadway line, which was necessitated by the large amount of underground construction to be avoided.

Some trouble was experienced at first near the power stations, owing to the failure of inexperienced gripmen to throw off when passing the cable entrance and, in several cases, grips were damaged and the cable thrown off the sheaves, causing delay on the whole line. The company is now using an automatic throwing-off device which is said to be giving good results.

Go to top of page.


Broadway Cable Railway Notes.

The Street Railway Journal, August, 1893

New Grip

The accompanying engraving shows the new cable grip and throw-off adopted by the managers of the Broadway cable railway, and now being attached to the cars on that road. The lower jaw, shown in the engraving by C, is stationary, and the upper jaw, B, movable, as with the grip first employed. The upper jaw is moved into action by the lever, J, operating through the pawl, S, the tumbler, K, the link, Q, and the central shank. L. The throw-offs are mounted at the lower ends of the bars, R, and present inclined upper surfaces, so that when raised the cable is thrown out of the lower jaw. They are operated through the bars, N, link, G, and the levers, E and F, both ends being connected by the link, H, so as to move in parallelism.

If at a cable crossing, or any other place where the cable should be thrown off, the gripman neglects to do this, it is accomplished automatically in the following way: In the conduit are located wedges adapted to slide under the longitudinal bar, P, and upper jaw, B, raising it; this operates the throw-offs through the uprights, N, and lifting the pawl S, through I, opens the grip.

The Broadway road has been unfortunate in the matter of stoppages. The principal cause has been the failure of unpractised gripmen to release the cable when passing the sheaves leading into the power houses, causing the breaking of the grip and throwing off the cable from the sheave. On July 6, an accident of this kind in the morning, caused the stoppage of the cable for several hours, and shortly after starting again another and more serious accident occurred. In some way the cable became wrapped around the grip of car No. 77, so that it could not be released, causing the car to run away, and although the speed in lower Broadway, where the accident happened, is but six miles per hour, serious damage would have ensued had not the cable been stopped in time. On the afternoon of July 26, the parting of a strand caused the stoppage of the cable for nearly eight hours.

All of the new cars of the Broadway road are equipped with Sterling registers and sand boxes furnished by the Sterling Supply Company of New York. The Sterling cash register has given great satisfaction in its working, and contains many improvements on the early Sterling type, which has been in use on the Third Avenue, 23d Street and Bleecker Street lines, for a number of years past.

Go to top of page.


Newspaper Criticism.

The Street Railway Journal, August, 1893

Daily Newspaper Criticism in New York has recently been directed at the Broadway cable railway managers, of whom a month ago, the kindest notices were published. The cause of this change has been several stoppages which have occurred in the service of the cars, and the critics, forgetting that the history of all new engineering enterprises shows that it takes some time to get them into working order, immediately concluded that the whole system was defective. A great deal of credit is due to the managers and directors of the Broadway road for the liberality with which every detail of the road was equipped, and the fact that no expense or trouble was spared to make the road first class in every particular. These features are realized, we know, by a very large number of the citizens of New York City, and we trust that before long the efforts of the managers will be appreciated by all.

Go to top of page.


Home/ What/ How/ Where & When/ Who/ Why
Chronology/ Miscellany/ Links/ Map/ Bibliography

Copyright 2012 by Joe Thompson. All rights reserved.

Last updated 01-November-2012